Product Summary
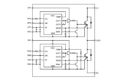
The PM300DSA120 is an isolated base module designed for power switching applications operating at frequencies to 20kHz. Built-in control circuit provide optimum gate drive and protection for the IGBT and free-wheel diode power device. The applications of the PM300DSA120 include inverters, UPS, motion/servo control and power supplies.
Parametrics
PM300DSA120 absolute maximum ratings: (1)Power device junction temperature,Tj: -20 to 150 ℃; (2)Storage temperature,Tstg: -40 to 125 ℃; (3)Case operating temperature, TC: -20 to 100 ℃; (4)Mounting torque, M6 mounting screws: 3.92~5.88 N · m; (5)Mounting torque, M8 main terminal screws: 8.83~10.8 N · m; (6)Module weight (typical): 910 Grams; (7)Supply voltage protected by OC and SC (VD = 13.5 - 16.5V, inverter part), VCC(prot.): 800 Volts; (8)Isolation voltage (main terminal to baseplate, AC 1 min.), Viso: 2500 Vrms.
Features
PM300DSA120 features: (1)Complete output power circuit; (2)Gate drive circuit; (3)Protection logic: short circuit, over current, over temperature, under voltage.
Diagrams

| Image | Part No | Mfg | Description | ![]() |
Pricing (USD) |
Quantity | ||||||
|---|---|---|---|---|---|---|---|---|---|---|---|---|
![]() |
![]() PM300DSA120 |
![]() |
![]() MOD IPM DUAL 1200V 300A |
![]() Data Sheet |
![]() Negotiable |
|
||||||
| Image | Part No | Mfg | Description | ![]() |
Pricing (USD) |
Quantity | ||||||
![]() |
![]() PM300 |
![]() Other |
![]() |
![]() Data Sheet |
![]() Negotiable |
|
||||||
![]() |
![]() PM300CBS060 |
![]() Other |
![]() |
![]() Data Sheet |
![]() Negotiable |
|
||||||
![]() |
![]() PM300CE |
![]() Other |
![]() |
![]() Data Sheet |
![]() Negotiable |
|
||||||
![]() |
![]() PM300CL1A060 |
![]() Other |
![]() |
![]() Data Sheet |
![]() Negotiable |
|
||||||
![]() |
![]() PM300CLA060 |
![]() |
![]() MOD IPM L-SER 6PAC 600V 300A |
![]() Data Sheet |
![]()
|
|
||||||
![]() |
![]() PM300CLA120 |
![]() |
![]() MOD IPM L-SER 6PAC 1200V 300A |
![]() Data Sheet |
![]()
|
|
||||||
(China (Mainland))










