Product Summary
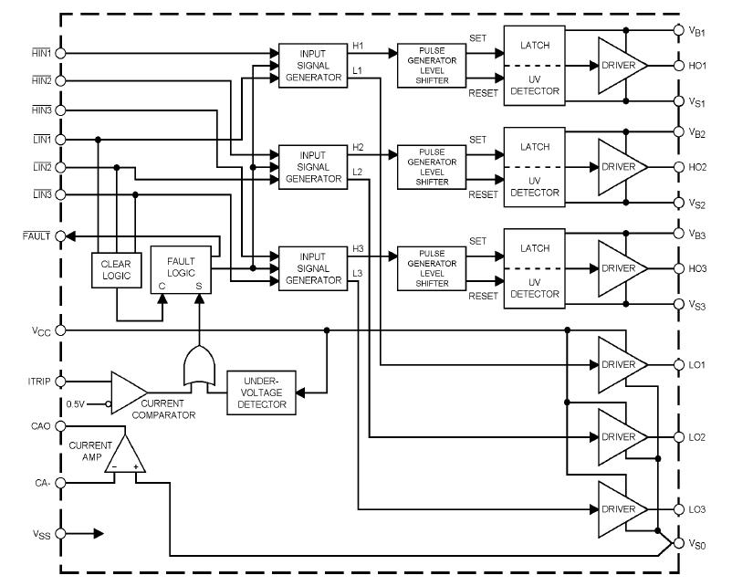
The IR2132 is a 3- phase bridge driver. It is a high voltage, high speed power MOSFET and IGBT driver with three independent high and low side referenced output channels. Proprietary HVIC technology enables ruggedized monolithic construction. Logic inputs are compatible with 5V CMOS or LSTTL outputs.
Parametrics
IR2132 absolute maximum ratings: (1)VCC Low Side and Logic Fixed Supply Voltage: -0.3 V to 25 V; (2)VSS Logic Ground: VCC - 25 V to VCC + 0.3 V; (3)VLO1,2,3 Low Side Output Voltage: -0.3 V to VCC + 0.3 V; (4)Package Power Dissipation @ TA ≤ +25℃: 1.5 W; (5)TJ Junction Temperature: 150℃; (6)TS Storage Temperature: -55℃ to 150℃; (7)TL Lead Temperature (Soldering, 10 seconds) : 300℃.
Features
IR2132 features: (1)Floating channel designed for bootstrap operation Fully operational to +600V Tolerant to negative transient voltage dV/dt immune; (2)Gate drive supply range from 10 to 20V; (3)Undervoltage lockout for all channels; (4)Over-current shutdown turns off all six drivers; (5)Independent half-bridge drivers; (6)Matched propagation delay for all channels; (7)Outputs out of phase with inputs.
Diagrams

| Image | Part No | Mfg | Description | ![]() |
Pricing (USD) |
Quantity | ||||||||||
|---|---|---|---|---|---|---|---|---|---|---|---|---|---|---|---|---|
![]() |
![]() IR2132(J) |
![]() Other |
![]() |
![]() Data Sheet |
![]() Negotiable |
|
||||||||||
![]() |
![]() IR2132JPbF |
![]() International Rectifier |
![]() Power Driver ICs |
![]() Data Sheet |
![]()
|
|
||||||||||
![]() |
![]() IR2132JTR |
![]() |
![]() IC DRIVER BRIDGE 3-PHASE 44-PLCC |
![]() Data Sheet |
![]() Negotiable |
|
||||||||||
![]() |
![]() IR2132JTRPBF |
![]() International Rectifier |
![]() Power Driver ICs |
![]() Data Sheet |
![]()
|
|
||||||||||
![]() |
![]() IR2132PbF |
![]() International Rectifier |
![]() Power Driver ICs |
![]() Data Sheet |
![]()
|
|
||||||||||
![]() |
![]() IR2132S |
![]() |
![]() IC DRIVER BRIDGE 3-PHASE 28-SOIC |
![]() Data Sheet |
![]() Negotiable |
|
||||||||||
![]() |
![]() IR2132SPbF |
![]() International Rectifier |
![]() Power Driver ICs |
![]() Data Sheet |
![]()
|
|
||||||||||
![]() |
![]() IR2132STR |
![]() |
![]() IC DRIVER BRIDGE 3-PHASE 28-SOIC |
![]() Data Sheet |
![]() Negotiable |
|
||||||||||
(China (Mainland))












