Product Summary
The PIC12F675-I-P is an 8-Pin, Flash-Based 8-Bit CMOS Microcontroller.
Parametrics
PIC12F675-I-P absolute maximum ratings: (1)Ambient temperature under bias: -40℃ to +125℃; (2)Storage temperature: -65℃ to +150℃; (3)Voltage on VDD with respect to VSS: -0.3 to +6.5V; (4)Voltage on MCLR and RA4 with respect to VSS: -0.3 to +13.5V; (5)Voltage on all other pins with respect to VSS: -0.3V to VDD +0.3V; (6)Total power dissipation: 800 mW; (7)Maximum current out of VSS pin: 300 mA; (8)Maximum current into VDD pin: 250 mA; (9)Input clamp current, IIK (VI < 0 or VI > VDD): ±20 mA; (10)Output clamp current, IOK (Vo < 0 or Vo >VDD): ±20 mA; (11)Maximum output current sunk by any I/O pin: 25mA; (12)Maximum output current sourced by any I/O pin: 25mA; (13)Maximum current sunk by PORTA and PORTB (Combined): 125mA; (14)Maximum current sourced by PORTA and PORTB (Combined): 125mA.
Features
PIC12F675-I-P features: (1)Only 35 Instructions to Learn: All single-cycle instructions except branches; (2)Operating Speed: DC - 20 MHz oscillator/clock input; DC - 200 ns instruction cycle; (3)Interrupt Capability; (4)8-Level Deep Hardware Stack; (5)Direct, Indirect, and Relative Addressing modes.
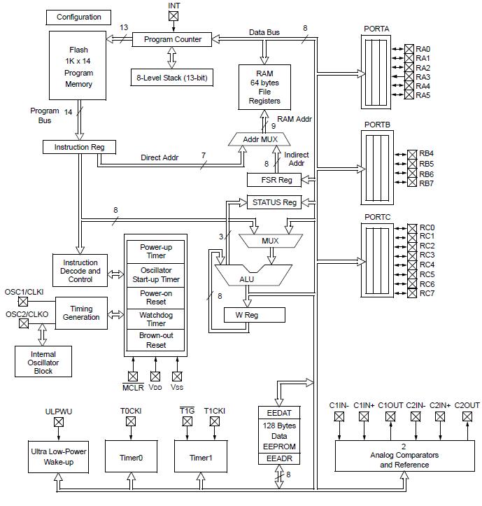
Diagrams

|  |  PIC1018SCL |  Other |  |  Data Sheet |  Negotiable |  | ||||||||||||
|  |  PIC10F200 |  Other |  |  Data Sheet |  Negotiable |  | ||||||||||||
|  |  PIC10F200-E/MC |  Microchip Technology |  8-bit Microcontrollers (MCU) 384B Flash16B RAM 4 I/O |  Data Sheet |  
 |  | ||||||||||||
|  |  PIC10F200-E/OT |  Other |  |  Data Sheet |  Negotiable |  | ||||||||||||
|  |  PIC10F200-E/P |  Microchip Technology |  8-bit Microcontrollers (MCU) U 579-PIC10F200-I/P |  Data Sheet |  Negotiable |  | ||||||||||||
|  |  PIC10F200-I/MC |  Microchip Technology |  8-bit Microcontrollers (MCU) 0.375KB Fl 16B RAM |  Data Sheet |  
 |  | ||||||||||||
 (China (Mainland))
 (China (Mainland)) 
                         
                        
 
                                    




