Product Summary
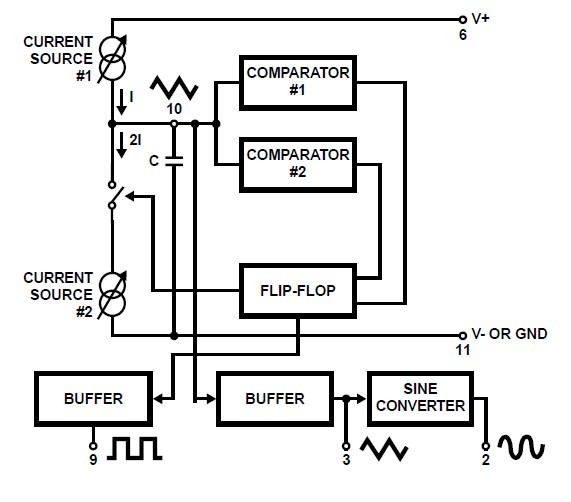
The ICL8038 is a precision waveform generator. The ICL8038AMJD is a monolithic integrated circuit capable of producing high accuracy sine, square, triangular, sawtooth and pulse waveforms with a minimum of external components. The frequency (or repetition rate) can be selected externally from 0.001Hz to more than 300kHz using either resistors or capacitors, and frequency modulation and sweeping can be accomplished with an external voltage. The ICL8038 is fabricated with advanced monolithic technology, using Schottky barrier diodes and thin film resistors, and the output is stable over a wide range of temperature and supply variations.
Parametrics
ICL8038 absolute maximum ratings: (1)Supply Voltage (V- to V+): 36V; (2)Input Voltage (Any Pin): V- to V+; (3)Input Current (Pins 4 and 5): 25mA; (4)Output Sink Current (Pins 3 and 9): 25mA.
Features
ICL8038 features: (1)Low Frequency Drift with Temperature: 250ppm/oC; (2)Low Distortion: 1% (Sine Wave Output); (3)High Linearity: 0.1% (Triangle Wave Output); (4)Wide Frequency Range: 0.001Hz to 300kHz; (5)Variable Duty Cycle: 2% to 98%; (6)High Level Outputs: TTL to 28V; (7)Simultaneous Sine, Square, and Triangle Wave Outputs; (8)Easy to Use - Just a Handful of External Components Required.
Diagrams

| Image | Part No | Mfg | Description | ![]() |
Pricing (USD) |
Quantity | ||||
|---|---|---|---|---|---|---|---|---|---|---|
![]() |
![]() ICL8038 |
![]() Other |
![]() |
![]() Data Sheet |
![]() Negotiable |
|
||||
![]() |
![]() ICL8038ACJD |
![]() Other |
![]() |
![]() Data Sheet |
![]() Negotiable |
|
||||
![]() |
![]() ICL8038CCJD |
![]() Other |
![]() |
![]() Data Sheet |
![]() Negotiable |
|
||||
![]() |
![]() ICL8038CCPD |
![]() Other |
![]() |
![]() Data Sheet |
![]() Negotiable |
|
||||
(China (Mainland))









