Product Summary
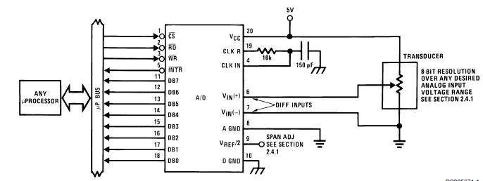
The ADC0804LCN is a CMOS 8-bit successive approximation A/D converter that uses a differential potentiometric ladder similar to the 256R products. The converter ADC0804LCN is designed to allow operation with the NSC800 and INS8080A derivative control bus with TRI-STATE output latches directly driving the data bus. The A/D of the ADC0804LCN appear like memory locations or I/O ports to the microprocessor and no interfacing logic is needed. Differential analog voltage input allows increasing the common-mode rejection and offsetting the analog zero input voltage value. In addition, the voltage reference input of the ADC0804LCN can be adjusted to allow encoding any smaller analog voltage span to the full 8 bits of resolution.
Parametrics
ADC0804LCN absolute maximum ratings: (1)Supply Voltage (VCC) (Note 3) 6.5V; (2)Voltage Logic Control Inputs -0.3V to +18V; (3)At Other Input and Outputs -0.3V to (VCC+0.3V); (4)Lead Temp Dual-In-Line Package (plastic) 260℃; (5)Dual-In-Line Package (ceramic) 300℃; (6)Surface Mount Package Vapor Phase (60 seconds) 215℃.
Features
ADC0804LCN features: (1)Differential analog voltage inputs; (2)Logic inputs and outputs meet both MOS and TTL voltage level specifications; (3)Works with 2.5V (LM336) voltage reference; (4)On-chip clock generator; (5)0V to 5V analog input voltage range with single 5V supply; (6)No zero adjust required; (7)0.3" standard width 20-piDIP package; (8)20-pimolded chip carrier or small outline package; (9)Operates ratiometrically or with 5 VDC, 2.5 VDC, or analog spaadjusted voltage reference.
Diagrams

| Image | Part No | Mfg | Description |  | Pricing (USD) | Quantity | ||||||||||||
|---|---|---|---|---|---|---|---|---|---|---|---|---|---|---|---|---|---|---|
|  |  ADC0804LCN |  National Semiconductor (TI) |  ADC (A/D Converters) |  Data Sheet |  
 |  | ||||||||||||
|  |  ADC0804LCN/NOPB |  National Semiconductor (TI) |  ADC (A/D Converters) 8B UP COMPATIBLE ADC |  Data Sheet |  
 |  | ||||||||||||
 (China (Mainland))
 (China (Mainland)) 
                         
                        
 
                                    



