Product Summary
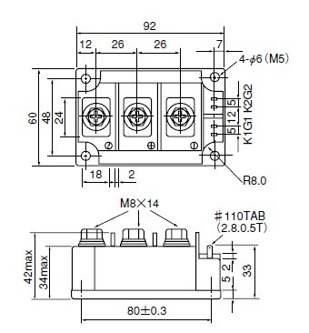
The PD160F160 is a Power Thyristor/Diode Module designed for various rectifier circuits and power controls. For your circuit application following internal connections and wide voltage ratings up to 1,600V are available. Two elements in a package and electrically isolated mounting base make your mechanical design easy.
Parametrics
PD160F160 absolute maximum ratings: (1)VRRM, Repetitive Peak Reverse Voltage: 1600 V; (2)VRSM, Non-Repetitive Peak Reverse Voltage: 1700V; (3)VDRM, Repetitive Peak Off-State Voltage: 1600V.
Features
PD160F160 features: (1)IT(AV)160A, IT(RMS) 250A, ITSM 5500A; (2)di/dt 200 A/μs; (3)dv/dt 500V/μs.
Diagrams

| Image | Part No | Mfg | Description | ![]() |
Pricing (USD) |
Quantity | ||||
|---|---|---|---|---|---|---|---|---|---|---|
![]() |
![]() PD160F160 |
![]() Other |
![]() |
![]() Data Sheet |
![]() Negotiable |
|
||||
| Image | Part No | Mfg | Description | ![]() |
Pricing (USD) |
Quantity | ||||
![]() |
![]() PD160 |
![]() Other |
![]() |
![]() Data Sheet |
![]() Negotiable |
|
||||
![]() |
![]() PD160040A |
![]() Other |
![]() |
![]() Data Sheet |
![]() Negotiable |
|
||||
![]() |
![]() PD160F120 |
![]() Other |
![]() |
![]() Data Sheet |
![]() Negotiable |
|
||||
![]() |
![]() PD160F160 |
![]() Other |
![]() |
![]() Data Sheet |
![]() Negotiable |
|
||||
![]() |
![]() PD160F40 |
![]() Other |
![]() |
![]() Data Sheet |
![]() Negotiable |
|
||||
![]() |
![]() PD160F80 |
![]() Other |
![]() |
![]() Data Sheet |
![]() Negotiable |
|
||||
(China (Mainland))









