Product Summary
The KBJ2510 is a 25 A single-phase silicon bridge rectifier.
Parametrics
KBJ2510 absolute maximum ratings: (1)Maximum repetitive peak reverse voltage VRRM: 1000V; (2)Maximum RMS voltage VRMS: 700V; (3)Maximum DC blocking voltage VDC: 1000V; (4)Maximum average forward rectified Tc =100 ℃ output current IF(AV): 25A; (5)Peak forward surge current single sine-wave superimposed on rated load (JEDEC Method) IFSM: 350A ; (6)Rating for fusing ( t<8.3ms) I2t: 120A2sec; (7)Maximum thermal resistance per leg RejA: 2.6℃/W; (8)Operating junction and storage temperature range TJ, TSTG: -55 to +150℃.
Features
KBJ2510 features: (1)This series is UL listed under the Recognized Component Index, file number E142814; (2)Plastic package has Underwriters Laboratory Flammability Classification 94V-0; (3)High case dielectric strength of 1500VRMS Ideal for printed circuit boards; (4)High surge current capability.
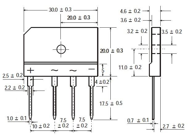
Diagrams

| Image | Part No | Mfg | Description | ![]() |
Pricing (USD) |
Quantity | ||||||||||||
|---|---|---|---|---|---|---|---|---|---|---|---|---|---|---|---|---|---|---|
![]() |
![]() KBJ2510G |
![]() GeneSiC Semiconductor |
![]() Bridge Rectifiers 1000V 25A Bridge Rectifier |
![]() Data Sheet |
![]()
|
|
||||||||||||
![]() |
![]() KBJ2510 |
![]() Other |
![]() |
![]() Data Sheet |
![]() Negotiable |
|
||||||||||||
(China (Mainland))










