Product Summary
The FR120N is a HEXFET Power MOSFET. It utilizes advanced processing techniques to achieve the lowest possible on-resistance per silicon area. This benefit, combined with the fast switching speed and ruggedized device design that the FR120N is well known for, provides the designer with an extremely efficient device for use in a wide variety of applications.
Parametrics
FR120N absolute maximum ratings: (1)ID @ TC = 100℃ Continuous Drain Current, VGS @ 10V: 6.6 A; (2)IDM Pulsed Drain Current: 38 A; (3)PD @TC = 25℃ Power Dissipation: 48 W; (4)Linear Derating Factor: 0.32 W/℃; (5)VGS Gate-to-Source Voltage: ± 20 V; (6)EAS Single Pulse Avalanche Energy: 91 mJ; (7)IAR Avalanche Current: 5.7 A; (8)EAR Repetitive Avalanche Energy: 4.8 mJ; (9)dv/dt Peak Diode Recovery dv/dt: -5.0 V/ns; (10)Operating Junction and Storage Temperature Range: -55 to + 175℃; (11)Soldering Temperature, for 10 seconds: 300℃ (1.6mm from case ).
Features
FR120N features: (1)Surface Mount; (2)Straight Lead; (3)Advanced Process Technology; (4)Fast Switching; (5)Fully Avalanche Rated.
Diagrams

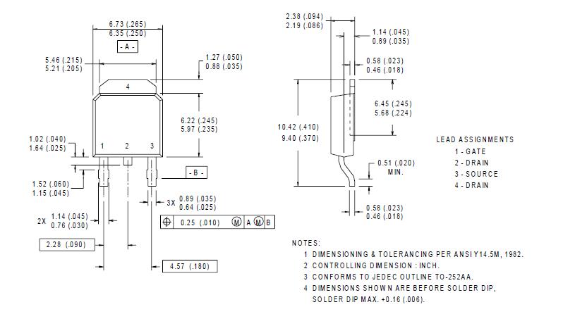
![]() |
![]() FR1206JR-071RL |
![]() Yageo |
![]() Thick Film Resistors - SMD 1 OHM 5% FUSIBLE |
![]() Data Sheet |
![]()
|
|
||||||||||||||
![]() |
![]() FR12ACAB |
![]() Panduit |
![]() Cable Mounting & Accessories Bracket, Adjustable Cabinet QuikLock Bra |
![]() Data Sheet |
![]() Negotiable |
|
||||||||||||||
![]() |
![]() FR12ACB12 |
![]() Panduit |
![]() Cable Mounting & Accessories Bracket, Top Support Adjustable "C" for |
![]() Data Sheet |
![]() Negotiable |
|
||||||||||||||
![]() |
![]() FR12ACB58 |
![]() Panduit |
![]() Cable Mounting & Accessories Bracket, Top Support Adjustable "C" for |
![]() Data Sheet |
![]() Negotiable |
|
||||||||||||||
![]() |
![]() FR12ACB58M |
![]() Panduit |
![]() Cable Mounting & Accessories Bracket, Top Support Adjustable "C" for |
![]() Data Sheet |
![]() Negotiable |
|
||||||||||||||
![]() |
![]() FR12ALB |
![]() Panduit |
![]() Cable Mounting & Accessories Bracket, Adjustable Ladder QuikLock Brac |
![]() Data Sheet |
![]() Negotiable |
|
||||||||||||||
(China (Mainland))











