Product Summary
The DF12 (5.0)-50DP-0.5V (86) is a 0.5mm Pitch SMT Board to Board Connector.
Parametrics
DF12 (5.0)-50DP-0.5V (86) absolute maximum ratings: (1)Current rating: 0.3A; (2)Operating Temperature Range: -45 to +125℃; (3)Storage Temperature Range: -10 to +60℃; (4)Voltage rating: 50V AC; (5)Operating Humidity Range: -40 to 80%; (6)Storage Humidity Range: -40 to 70%.
Features
DF12 (5.0)-50DP-0.5V (86) features: (1)Broad Variations of Stacking Height; (2)Corresponding to Automatic Mounting; (3)Metal Fitting Available.
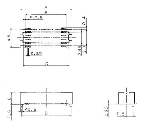
Diagrams

|  |  DF12 |  Other |  |  Data Sheet |  Negotiable |  | ||||||||||||
|  |  DF12 Series |  Other |  |  Data Sheet |  Negotiable |  | ||||||||||||
|  |  DF12(3.0)-10DP-0.5V(86) |  Hirose Connector |  Board to Board / Mezzanine Connectors 10P V SMT DR HDR 3.0MM STK HT GOLD |  Data Sheet |  
 |  | ||||||||||||
|  |  DF12(3.0)-10DS-0.5V(86) |  Hirose Connector |  Board to Board / Mezzanine Connectors 10P V SMT DR RECPT 3.0MM STK HT GOLD |  Data Sheet |  
 |  | ||||||||||||
|  |  DF12(3.0)-14DP-0.5V(48) |  Hirose Connector |  Board to Board / Mezzanine Connectors 14P 2 ROW PIN HEADER |  Data Sheet |  
 |  | ||||||||||||
|  |  DF12(3.0)-14DP-0.5V(86) |  Hirose Connector |  Board to Board / Mezzanine Connectors 14P V SMT DR HDR 3.0MM STK HT GOLD |  Data Sheet |  
 |  | ||||||||||||
 (China (Mainland))
 (China (Mainland)) 
                         
                        
 
                                    



