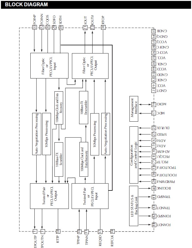
Product Summary
The ML6652CH is a kind of low cost multi-function / multi-standard single chip Media Converter. The device provides 10Mbps and 100Mbps signal conversion between twisted pair and fiber optic Ethernet technologies. It supports conversion between: 10BASE-T and 10BASE-FL, 100BASE-TX and 100BASE-FX/SX, 100BASE-FX and 100BASE-SX, FLP Bursts and FLNP Bursts. The device supports 10Mbps and 100Mbps operating data rates with Auto-Negotiation using 850nm or 1300nm optics. The typical applications include (1)Single/Multi Port 10/100 Auto-Negotiating Media Converters; (2)Single/Multi Port 100BASE-FX/ SX to100BASE-TX Media Converters; (3)Single/Multi Port 10BASE-FL to 10BASE-T Media Converters.
Parametrics
ML6652CH absolute maximum ratings: (1)Junction Temperature: 150℃; (2)Storage Temperature Range: -65 to 150℃; (3)Lead Temperature (Soldering, 10s): 240℃; (4)Thermal Resistance (JA): 56℃/W(TQPF); (5)Thermal Resistance (JA): 33℃/W(LPCC/QFN); (6)Input Voltage Range Ground: - 0.3V to VCC +0.3V; (7)Output Current: TPOUTP/TPOUTN: 80mA; IOUT: 120mA; IOUT#: -100mA; All other inputs: 10mA.
Features
ML6652CH features: (1)Complete implementation of fiber optic and twisted pair media interface; (2)Supports ISO/IEC 8802.3, IEEE 802.3 and TIA/EIA-785 Industry Standards, including full Auto-Negotiation for twisted pair and fiber optic media; (3)850nm, 1300nm miniature fiber optic components and PMD modules; (4)Supports 1:1 receiver/transmitter transformer ratio for twisted pair; (5)Low latency; (6)Integrated voltage and current references; (7)Integrated twisted pair output wave shaping eliminates external filtering; (8)Integrated twisted pair 10BASE-T input filter and 100BASE-TX equalizer with baseline wander correction circuit; (9)Serial Management Interface; (10)Full and Half Duplex with Auto-Negotiation; (11)Integrated LED Driver; (12)Integrated Data Quantizer; (13)Small 44-Pin TQFP and LPCC/QFN; (14)Low 3.3V power supply; (15)Integrated Link Integrity Warning (LIW).
Diagrams

![]() |
![]() ML6622 |
![]() Other |
![]() |
![]() Data Sheet |
![]() Negotiable |
|
||||
![]() |
![]() ML6633 |
![]() Other |
![]() |
![]() Data Sheet |
![]() Negotiable |
|
||||
![]() |
![]() ML6651CH |
![]() Other |
![]() |
![]() Data Sheet |
![]() Negotiable |
|
||||
![]() |
![]() ML6652 |
![]() Other |
![]() |
![]() Data Sheet |
![]() Negotiable |
|
||||
![]() |
![]() ML6652EM |
![]() |
![]() IC TXRX 5.8GHZ FSK 44-PLCC |
![]() Data Sheet |
![]() Negotiable |
|
||||
![]() |
![]() ML6672* |
![]() Other |
![]() |
![]() Data Sheet |
![]() Negotiable |
|
||||
(China (Mainland))









