Product Summary
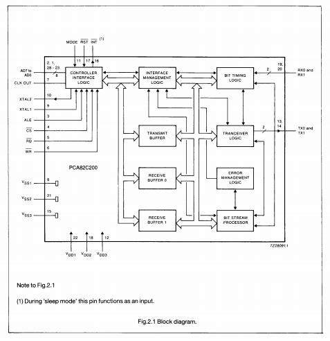
The PCA82C200T is a highly integrated stand-alone controller for the controller area network used within automotive and general industrial environments. The device contains all necessary features required to implement a high performance communication protocol.
Parametrics
PCA82C200T absolute maximum ratings: (1)VDD, supply voltage range: 4.5 to 5.5V; (2)Tamb, operating ambient temperature range: -40 to 125℃; (3)Tstg, storage temperature range: -65 to 150℃; (4)Ptot, total power dissipation: 1W.
Features
PCA82C200T features: (1)multi-master architecture; (2)interfaces with a large variety of microcontrollers; (3)bus access priority; (4)2032 message identifiers; (5)guaranteed latency time for high priority messages powerful error handling capability; (6)data length form 0 to 8 bytes; (7)configurable bus interface; (8)programmable clock output; (9)multiast and broadcast message facility; (10)non destructive bit-wise arbitration; (11)non return to zero coding/decoding with bit-stuffing.
Diagrams

| Image | Part No | Mfg | Description | ![]() |
Pricing (USD) |
Quantity | ||||
|---|---|---|---|---|---|---|---|---|---|---|
![]() |
![]() PCA82C200T |
![]() Other |
![]() |
![]() Data Sheet |
![]() Negotiable |
|
||||
| Image | Part No | Mfg | Description | ![]() |
Pricing (USD) |
Quantity | ||||
![]() |
![]() PCA82C200T |
![]() Other |
![]() |
![]() Data Sheet |
![]() Negotiable |
|
||||
![]() |
![]() PCA82C250 |
![]() Other |
![]() |
![]() Data Sheet |
![]() Negotiable |
|
||||
![]() |
![]() PCA82C250/N4,112 |
![]() NXP Semiconductors |
![]() Network Controller & Processor ICs HI-SPEED CAN XCVR |
![]() Data Sheet |
![]() Negotiable |
|
||||
![]() |
![]() PCA82C250T/N,112 |
![]() |
![]() IC CAN CNTRL INTERFACE SOT96-1 |
![]() Data Sheet |
![]() Negotiable |
|
||||
![]() |
![]() PCA82C250T/N,115 |
![]() |
![]() IC CAN CNTRL INTERFACE SOT96-1 |
![]() Data Sheet |
![]() Negotiable |
|
||||
![]() |
![]() PCA82C250T/N,118 |
![]() |
![]() IC CAN CNTRL INTERFACE SOT96-1 |
![]() Data Sheet |
![]() Negotiable |
|
||||
(China (Mainland))











